Malaking kasalukuyang micro switch para sa mga washing machine
Makinang panghugas ng makinang panghugas ng makinang panghugas ng makinang panghimpapawid na switch ng micro micro
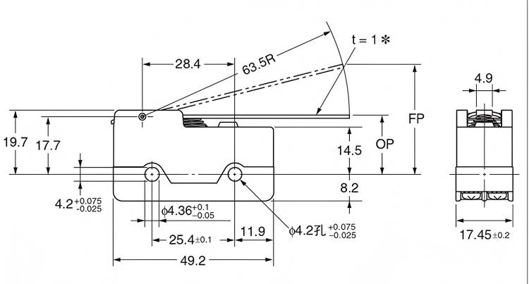
16A 250VAC Limitasyon sa Paglalakbay I-reset ang 2-Pin na karaniwang sarado na switch
Independiyenteng dual-post na limitasyon sa paglalakbay switchAng Double-Link Travel Limit Micro Switch ay isang awtomatikong sangkap na kontrol na na-trigger ng mekanikal na paggalaw. Ang pangunahing pag -andar nito ay upang makita ang pag -aalis o stroke ng isang bagay upang makamit ang pagbubukas at pagsasara ng mga circuit, pagsisimula at paghinto ng kagamitan, o proteksyon ng limitasyon. Ito ay isang kailangang -kailangan na 'kaligtasan ng sentinel' at 'kumander ng aksyon' sa pang -industriya na automation at electromekanikal na kagamitan.
Lumipat Ipakilalauction
Ang switch ng paglalakbay (na kilala rin bilang isang limitasyon ng switch) ay isang awtomatikong sangkap na kontrol na na -trigger ng mekanikal na paggalaw. Ang pangunahing pag -andar nito ay upang makita ang pag -aalis o stroke ng isang bagay upang makamit ang pagbubukas at pagsasara ng mga circuit, pagsisimula at paghinto ng kagamitan, o proteksyon ng limitasyon. Ito ay isang kailangang -kailangan na 'kaligtasan ng sentinel' at 'kumander ng aksyon' sa pang -industriya na automation at electromekanikal na kagamitan.
Lumipat Application
Sa mga cranes, elevator, at pag -aangat ng mga platform, ang mga limitasyon ng mga switch ay mga kritikal na sangkap sa kaligtasan:
Elevator Shaft:Ang mga itaas at mas mababang mga switch ng limitasyon ay naka -install sa tuktok at ibaba ng baras ng elevator. Kung ang elevator ay nawalan ng kontrol at over-travels, ang mga switch ay na-trigger upang makisali sa emergency preno, na pinipigilan ang kotse mula sa pag-crash sa tuktok (overhead) o ibaba (hukay) ng baras.
Crane Hook:Ang isang limitasyon ng switch ay naka -install sa itaas na posisyon ng limitasyon ng landas ng kawit. Kapag lumapit ang kawit sa tulay ng crane, ang switch ay isinaaktibo upang i -cut ang kapangyarihan sa motor na hoisting, sa gayon maiiwasan ang mga pagbangga at pinsala sa kagamitan.
Lumipat Mga detalye
