Bahay > Mga produkto > Micro Switch > Fan Pulse Accessory Switch
Fan Pulse Accessory Switch

Fan Pulse Accessory Switch

Ang Fan Pulse Accessory Switch ay isang awtomatikong sangkap na kontrol na na -trigger ng mekanikal na paggalaw. Ang pangunahing pag -andar nito ay upang makita ang pag -aalis o stroke ng isang bagay upang makamit ang pagbubukas at pagsasara ng mga circuit, pagsisimula at paghinto ng kagamitan, o limitasyon ng proteksyon. Ito ay isang kailangang -kailangan na 'kaligtasan ng sentinel' at 'kumander ng aksyon' sa pang -industriya na automation at electromekanikal na kagamitan.

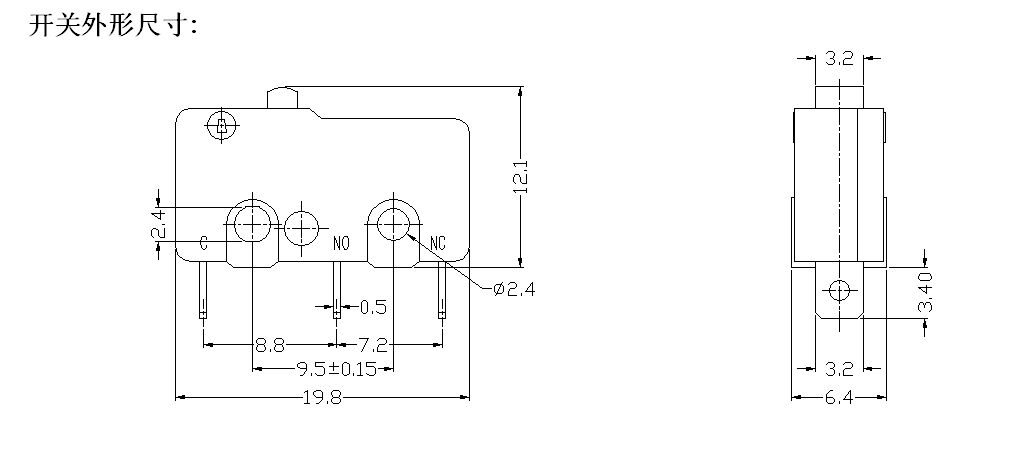
Modelo:HK-04G-1AT-009

Magpadala ng Inquiry

Paglalarawan ng Produkto

Weipeng®ay isang nangungunang fan pulse accessory switch paggawaRS, Suppliers at tagaluwas. 

Lumipat Ipakilalauction 


Ang serye ng HK-04G ay nakatuon sa mga praktikal na sitwasyon sa mga tuntunin ng pagganap ng elektrikal. Ang mga contact ay gawa sa mataas na kadalisayan na pilak-tin alloy at naproseso na may teknolohiyang welding ng katumpakan. Ang paunang paglaban ng contact ay ≤8MΩ, at maaari silang maaasahan na magdala ng 10A-16A AC kasalukuyang (na-rate na boltahe 250V AC). Ang mga ito ay angkop hindi lamang para sa pagkontrol ng mga aparato na may mababang lakas tulad ng matalinong pag-iilaw at mga socket, kundi pati na rin para sa mga aparato ng mid-power tulad ng mga maliliit na tagahanga ng pang-industriya at komersyal na mga printer. Ito ay epektibong pinipigilan ang pakikipag -ugnay sa sobrang pag -init at pagguho na dulot ng kasalukuyang labis na labis, tinitiyak ang ligtas at matatag na circuit conduction.


Lumipat Application


1. Mga Smart Home Scenarios: Kaginhawaang kontrol, isinama sa lifethe HK-04G serye, na may compact na laki nito (humigit-kumulang 20 × 15 × 10mm, L × W × H), ay madaling maisama sa mga matalinong pamamahagi ng mga kahon, mga naka-mount na matalinong socket, at matalinong mga panel ng control control. Ito ay naging isang suportang sangkap para sa maraming mga domestic smart home brand. Halimbawa, pagkatapos ng matalinong socket ng isang tatak ay nilagyan ng switch ng rocker ng serye na ito, ang mga gumagamit ay maaaring mabilis na i -on at i -off ang kapangyarihan sa pamamagitan ng pagpindot nito. Pinagsama sa APP Remote Control, nakamit nito ang isang dual control mode ng "Local + Remote," at ang rate ng pagkabigo ng produkto ay nabawasan ng 40% kumpara sa tradisyonal na mga switch, pagpapahusay ng karanasan ng gumagamit.

2. Komersyal at Maliit na Pang -industriya na Mga Eksena: Mahusay na pagbagay, siniguro ang operasyon

Komersyal na Kagamitan: Inangkop para sa kontrol ng kuryente ng mga komersyal na makina ng kape, mga rehistro ng cash, at mga printer, na may na -optimize na mga istruktura ng koneksyon ng terminal na sumusuporta sa mabilis na pag -install ng mga kable. Matapos ang application ng batch sa isang chain coffee shop, ang kahusayan sa pagpupulong ng kagamitan ay nadagdagan ng 25%, at sa paglipas ng pangmatagalang paggamit ay walang mga isyu sa downtime na sanhi ng mga pagkabigo sa switch.

Maliit na Pang -industriya: Ginamit para sa Circuit Control ng Maliit na Kagamitan ng Conveyor at Pag -iilaw ng Workshop. Ang apoy-retardant casing at matatag na pagganap ng elektrikal ay maaaring hawakan ang banayad na mga kapaligiran sa alikabok sa mga workshop. Ang isang tiyak na pabrika sa pagproseso ng electronics ay ginamit ito sa loob ng 18 buwan nang walang anumang pagkasira ng pagganap ng mga switch, tinitiyak ang matatag na operasyon ng linya ng paggawa.


Lumipat Mga detalye



Mga Hot Tags: Fan Pulse Accessory Switch, China, Tagagawa, Tagabenta, pakyawan, Pabrika, Presyo
Kaugnay na Kategorya
Magpadala ng Inquiry
Mangyaring huwag mag-atubiling ibigay ang iyong pagtatanong sa form sa ibaba. Sasagot kami sa iyo sa loob ng 24 na oras.
X
Gumagamit kami ng cookies para mag-alok sa iyo ng mas magandang karanasan sa pagba-browse, pag-aralan ang trapiko sa site at i-personalize ang content. Sa paggamit ng site na ito, sumasang-ayon ka sa aming paggamit ng cookies. Patakaran sa Privacy
Tanggihan Tanggapin