Bilang benchmark na modelo ng micro switch series ng Yueqing Tongda Wire Electric Factory, ang HK-14 16A 250VAC T125 Universal Pentium Supor Rice Cooker Accessories Micro Switch ay nagtatampok ng "high sensitivity, ultra-long lifespan, at multi-scenario adaptability" bilang mga pangunahing bentahe nito. Pinagsasama ang 35 taon ng kadalubhasaan sa paggawa ng switch ng kumpanya, ito ay naging pangunahing bahagi ng kontrol sa mga gamit sa bahay, automotive electronics, industrial automation, at iba pang larangan, salamat sa kaunting contact gap at mabilis na mekanismo ng pagkilos nito. Ang pagganap at pagiging maaasahan nito ay na-certify ng maraming awtoritatibong organisasyon sa buong mundo, na sinisiguro ang pangunahing posisyon nito sa niche market.
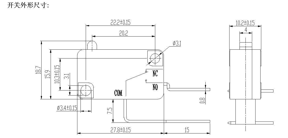
Panimula ng Micro Switch
Ang HK-14 ay nagpapakita ng malakas na pagiging mapagkumpitensya sa mga teknikal na detalye at partikular na angkop para sa mataas na dalas, mataas na katumpakan na mga kinakailangan sa kontrol. Ang mga contact ay gawa sa mataas na conductive alloy na materyales, na may paunang contact resistance na ≤30mΩ, na may kakayahang maghatid ng mga alon mula 5A hanggang 25A, at tugma sa maraming sitwasyon ng boltahe kabilang ang AC 125V/250V at DC 12V/24V, na nakakatugon sa iba't ibang pangangailangan ng kuryente mula sa maliliit na kagamitan sa bahay hanggang sa mga kagamitang pang-industriya.
Sa mga tuntunin ng pagti-trigger ng pagganap, ang produkto ay gumagamit ng isang snap-action na mekanismo, na may operating stroke na 0.5-1.6mm lamang at kinokontrol ang puwersa ng pagpapatakbo sa pagitan ng 0.25-4N. Nag-aalok ito ng mabilis na pag-trigger ng tugon at malinaw na feedback, na epektibong iniiwasan ang mga isyu ng "false trigger" at "trigger delay." Ang haba ng buhay ay higit na lumalampas sa mga pamantayan ng industriya: ang mekanikal na buhay ay lumampas sa 1 milyong mga cycle, at ang buhay ng kuryente ay umaabot sa higit sa 50,000 na mga cycle, na nagbibigay-daan sa pangmatagalang matatag na operasyon sa mga sitwasyong may mataas na dalas ng paggamit tulad ng mga microwave oven at automotive electronics.
Ang kakayahang umangkop sa kapaligiran ay parehong kahanga-hanga. Ang produkto ay maaaring gumana sa isang malawak na hanay ng temperatura mula -25 ℃ hanggang 125 ℃, pumasa sa isang three-axis vibration test sa 10-55Hz na may amplitude na 1.5mm, nagpapanatili ng insulation resistance na ≥100MΩ (500VDC), at makatiis ng boltahe na 1000V AC kahit na ang mga terminal ay may mataas na pagganap, tinitiyak ang pang-industriya na pag-vibrate sa pagitan ng mga terminal o matatag na pagganap sa kapaligirang pang-industriya. mga kondisyon ng isang kompartimento ng makina ng kotse.
Umaasa sa full-process na sistema ng kontrol sa kalidad ng Leqing Tongda, ang HK-14 ay sumasailalim sa maraming mahigpit na pagsubok mula sa mga hilaw na materyales hanggang sa mga natapos na produkto:
Pagsusuri ng hilaw na materyal: Pagsusuri ng spectral na materyal sa pakikipag-ugnay, elasticity ng spring piece at fatigue test, at mga pagsubok sa paglaban sa pagtanda ng casing upang matiyak na ang mga pangunahing bahagi ay nakakatugon sa mga pamantayan ng sasakyan;
Pagsusuri sa produksiyon: Ganap na automated na precision assembly lines na nilagyan ng visual inspection system, kinokontrol ang mga pangunahing dimensyon na error sa loob ng ±0.01mm upang matiyak ang pare-parehong katumpakan ng actuation;
Tapos na pagsubok ng produkto: 100% pass rate para sa 10 pagsubok, kabilang ang mataas at mababang temperatura na pagbibisikleta (-40 ℃ hanggang 120 ℃), 48-oras na salt spray corrosion, milyun-milyong pressing cycle, vibration at impact test.
Parameter ng Micro Switch (Pagtutukoy)
| Lumipat sa Teknikal na Katangian: | |||
| ITEM | Teknikal na Parameter | Halaga | |
| 1 | Rating ng Elektrisidad | 5(2)A/10A/16(3)A/21(8)A 250VAC | |
| 2 | Contact Resistance | ≤30mΩ Paunang halaga | |
| 3 | Paglaban sa pagkakabukod | ≥100MΩ (500VDC) | |
| 4 |
Dielectric Boltahe |
sa pagitan ng hindi konektadong mga terminal |
1000V/0.5mA/60S |
| Sa pagitan ng mga terminal at ang metal na frame |
3000V/0.5mA/60S | ||
| 5 | Buhay ng Elektrisidad | ≥50000 cycle | |
| 6 | Buhay Mekanikal | ≥1000000 cycle | |
| 7 | Operating Temperatura | -25~125℃ | |
| 8 | Dalas ng Pagpapatakbo | elektrikal :15 cycle Mekanikal: 60 cycle |
|
| 9 | Vibration Proof | Dalas ng Panginginig ng boses : 10~55HZ; Amplitude: 1.5mm; Tatlong direksyon :1H |
|
| 10 | Kakayahang panghinang: Higit sa 80% ng nakalubog na bahagi ay dapat na sakop ng panghinang |
Temperatura ng Paghihinang :235±5℃ Oras ng Paglulubog :2~3S |
|
| 11 | Panghinang Heat Resistance | Dip Soldering :260±5℃ 5±1S Manu-manong Paghihinang : 300±5℃ 2~3S |
|
| 12 | Mga Pag-apruba sa Kaligtasan | UL, CSA, VDE, ENEC, TUV, CE, KC, CQC | |
| 13 | Mga Kondisyon sa Pagsubok | Ambient Temperatura :20±5℃ Kamag-anak na Halumigmig :65±5%RH Presyon ng hangin :86~106KPa |
|
Tampok at Application ng Micro Switch
Mga Detalye ng Micro Switch

