Malaking kasalukuyang micro switch para sa mga washing machine
Makinang panghugas ng makinang panghugas ng makinang panghugas ng makinang panghimpapawid na switch ng micro micro
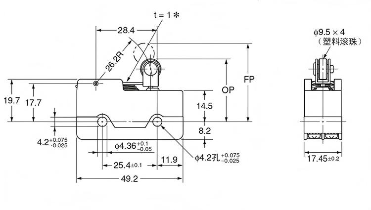
16A 250VAC Limitasyon sa Paglalakbay I-reset ang 2-Pin na karaniwang sarado na switch
Independiyenteng dual-post na limitasyon sa paglalakbay switchAng independiyenteng dual-post na switch ng paglalakbay ay isang awtomatikong sangkap na kontrol na na-trigger ng mekanikal na paggalaw. Ang pangunahing pag -andar nito ay upang makita ang pag -aalis o stroke ng isang bagay upang makamit ang pagbubukas at pagsasara ng mga circuit, pagsisimula at paghinto ng kagamitan, o proteksyon ng limitasyon. Ito ay isang kailangang -kailangan na 'kaligtasan ng sentinel' at 'kumander ng aksyon' sa pang -industriya na automation at electromekanikal na kagamitan.
Lumipat Ipakilalauction
Ang switch ng paglalakbay (na kilala rin bilang isang limitasyon ng switch) ay isang awtomatikong sangkap na kontrol na na -trigger ng mekanikal na paggalaw. Ang pangunahing pag -andar nito ay upang makita ang pag -aalis o stroke ng isang bagay upang makamit ang pagbubukas at pagsasara ng mga circuit, pagsisimula at paghinto ng kagamitan, o proteksyon ng limitasyon. Ito ay isang kailangang -kailangan na 'kaligtasan ng sentinel' at 'kumander ng aksyon' sa pang -industriya na automation at electromekanikal na kagamitan.
Lumipat Application
Application sa Home Appliances at Smart Home:
Washing machine:Ang isang limitasyon ng switch ay naka-install sa pintuan ng isang harap na paghuhugas ng makina. Magsisimula lamang ang appliance kapag ang pintuan ay ganap na sarado at ang switch ay nagpapa -aktibo sa circuit, na pumipigil sa pagtagas ng tubig o damit na itapon sa panahon ng operasyon.
Refrigerator/oven:Kapag ang isang pintuan ng refrigerator ay sarado, ang switch ay nag -trigger upang patayin ang interior light. Sa kabaligtaran, kung ang isang pintuan ng oven ay hindi ligtas na isara, ang switch ay gupitin ang kapangyarihan sa mga elemento ng pag -init upang maiwasan ang pagtagas ng init.
Lumipat Mga detalye
