Malaking kasalukuyang micro switch para sa mga washing machine
Makinang panghugas ng makinang panghugas ng makinang panghugas ng makinang panghimpapawid na switch ng micro micro
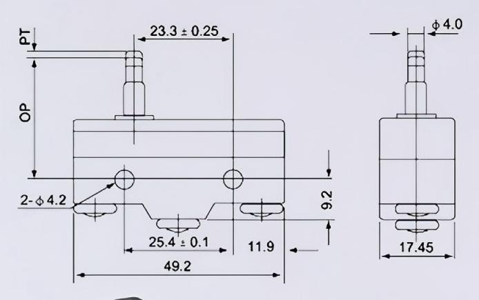
16A 250VAC Limitasyon sa Paglalakbay I-reset ang 2-Pin na karaniwang sarado na switch
Independiyenteng dual-post na limitasyon sa paglalakbay switchAng LS mataas na kalidad na limitasyon ng stroke switch ay isang awtomatikong sangkap na kontrol na na-trigger ng mekanikal na paggalaw. Ang pangunahing pag -andar nito ay upang makita ang pag -aalis o stroke ng isang bagay upang makamit ang pagbubukas at pagsasara ng mga circuit, pagsisimula at paghinto ng kagamitan, o proteksyon ng limitasyon. Ito ay isang kailangang -kailangan na 'kaligtasan ng sentinel' at 'kumander ng aksyon' sa pang -industriya na automation at electromekanikal na kagamitan.
Lumipat Ipakilalauction
Ang switch ng paglalakbay (na kilala rin bilang isang limitasyon ng switch) ay isang awtomatikong sangkap na kontrol na na -trigger ng mekanikal na paggalaw. Ang pangunahing pag -andar nito ay upang makita ang pag -aalis o stroke ng isang bagay upang makamit ang pagbubukas at pagsasara ng mga circuit, pagsisimula at paghinto ng kagamitan, o proteksyon ng limitasyon. Ito ay isang kailangang -kailangan na 'kaligtasan ng sentinel' at 'kumander ng aksyon' sa pang -industriya na automation at electromekanikal na kagamitan.
Lumipat Application
Conveyor Belt System: Ang mga switch ng limitasyon ay naka -install sa mga punto ng pagsisimula/pagtatapos ng conveyor. Kapag ang isang workpiece ay dinala sa itinalagang posisyon, ang switch ay na -trigger upang i -pause ang conveyor, na nakikipag -ugnay sa robotic braso upang maisagawa ang pagkakahawak at pag -uuri ng mga aksyon.
Linya ng Assembly: Ginagamit ang mga ito upang makita kung ang isang workpiece ay nasa tamang posisyon. Halimbawa, sa isang linya ng pagpupulong ng appliance ng bahay, kapag ang panlabas na shell ay gumagalaw sa istasyon ng timpla ng tornilyo, ang switch ay nag -uudyok sa pagsisimula ng masikip na makina, tinitiyak ang tumpak na koordinasyon sa pagitan ng mga hakbang sa proseso.
Lumipat Mga detalye
