Bilang isang kinatawan ng produkto ng Yueqing Tongda Wire Electric Factory na naglalaman ng integrasyon ng core standardization at customization, ang Micro Switches para sa Juicers Vacuum Cleaners Printers and Other Ddevices ay idinisenyo gamit ang mga pangunahing prinsipyo ng "stability, reliability, at scene compatibility." Isinasama nito ang 35 taon ng kadalubhasaan sa paggawa ng switch ng kumpanya, na nakakamit ng maraming pag-optimize sa pagganap ng kuryente, mga antas ng proteksyon, at karanasan ng user. Malawakang naaangkop ang switch sa mga sitwasyong gaya ng pamamahagi ng kuryente ng matalinong tahanan, pang-industriya na kagamitang pantulong, at maliliit na instrumentong medikal, na ginagawa itong isang ginustong bahagi ng kontrol sa circuit na nagbabalanse ng unibersal na may potensyal na pag-customize.
Micro SwitchPanimula
Ang mga sumusunod ay mga pangunahing hakbang sa produksyon na kailangang maunawaan ng mga mamimili upang masuri ang kalidad ng produkto:
1. Component Manufacturing: Tiyak na machined metal contact at spring; matibay na pambalot (mga plastik/metal na materyales).
2. Assembly: Tumpak na pag-assemble ng mga spring, contact, at actuator para maiwasang maapektuhan ang performance.
3. Pagsubok: Mahigpit na pagsubok (libo-libong mga pagsubok sa pagpindot, mga pagsubok sa pagpapatuloy ng kuryente) upang matiyak ang pagiging maaasahan.
4. Packaging: Proteksiyon na packaging para sa madaling transportasyon, na may malinaw na label ng mga detalye.
Micro SwitchAplikasyon
Ang mga micro switch ay malawakang ginagamit at maaasahan sa pagganap, pangunahing inilalapat sa:
- Mga gamit sa bahay: mga ilaw sa refrigerator, mga kandado ng pinto ng microwave oven, mga switch sa takip ng washing machine, at mga timer ng toaster.
- Pang-industriya na kagamitan: mga heavy-duty na modelo na angkop para sa mga conveyor belt, makinarya, at control panel (dustproof at moisture-proof).
- Automotive field: windshield wiper, door-ajar indicator — may kakayahang makatiis sa vibration at matinding temperatura.
- Mga elektronikong device: maliliit na switch para sa mga remote control at game controller (tumugon at pangmatagalan).
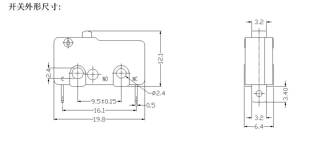
Micro Switch Pagtutukoy
| Lumipat sa Teknikal na Katangian: | |||
| ITEM | Teknikal na Parameter | Halaga | |
| 1 | Rating ng Elektrisidad | 5(2)A 125V/250VAC 10(3)125V/250VAC | |
| 2 | Contact Resistance | ≤50mΩ Paunang halaga | |
| 3 | Paglaban sa pagkakabukod | ≥100MΩ (500VDC) | |
| 4 |
Dielectric Boltahe |
sa pagitan ng hindi konektadong mga terminal |
500V/0.5mA/60S |
| Sa pagitan ng mga terminal at ang metal na frame |
1500V/0.5mA/60S | ||
| 5 | Buhay ng Elektrisidad | ≥10000 cycle | |
| 6 | Buhay Mekanikal | ≥100000 na cycle | |
| 7 | Operating Temperatura | -25~125℃ | |
| 8 | Dalas ng Operasyon | Electrical: 15 cycle Mekanikal: 60 cycle |
|
| 9 | Vibration Proof | Dalas ng Panginginig ng boses: 10~55HZ; Amplitude: 1.5mm; Tatlong direksyon :1H |
|
| 10 | Kakayahang panghinang: Higit sa 80% ng nakalubog na bahagi ay dapat na sakop ng panghinang |
Temperatura ng Paghihinang : 235±5℃ Oras ng Paglulubog :2~3S |
|
| 11 | Panghinang Heat Resistance | Dip Soldering :260±5℃ 5±1S Manu-manong Paghihinang :300±5℃ 2~3S |
|
| 12 | Mga Pag-apruba sa Kaligtasan | UL, CSA, VDE, ENEC, CE | |
| 13 | Mga Kondisyon sa Pagsubok | Ambient Temperatura :20±5℃ Kamag-anak na Halumigmig :65±5%RH Presyon ng hangin : 86~106KPa |
|
Tongda Wire Electric Micro USB Inline na Power Switch Mga Detalye


