Bilang benchmark na modelo ng micro switch series ng Yueqing Tongda Wire Electric Factory, ang Normally Open Automatic Reset Micro Switch for Refrigerator and Electric Toys ay nagtatampok ng "high sensitivity, ultra-long lifespan, at multi-scenario adaptability" bilang mga pangunahing bentahe nito. Pinagsasama ang 35 taon ng kadalubhasaan sa paggawa ng switch ng kumpanya, ito ay naging pangunahing bahagi ng kontrol sa mga gamit sa bahay, automotive electronics, industrial automation, at iba pang larangan, salamat sa kaunting contact gap at mabilis na mekanismo ng pagkilos nito. Ang pagganap at pagiging maaasahan nito ay na-certify ng maraming awtoritatibong organisasyon sa buong mundo, na sinisiguro ang pangunahing posisyon nito sa niche market.
Panimula ng Micro Switch
Ang serye ng HK-14 ay nag-aalok ng lubos na nababaluktot na mga opsyon sa pagpapasadya upang matugunan ang iba't ibang mga kinakailangan sa aplikasyon. Maaaring i-customize ang puwersa ng pagpapatakbo (mas mababa sa 5.0 N sa estado na walang lever, karaniwang 30±15 gf), na may hanay ng operating stroke na 0.6–1.5 mm, na angkop para sa iba't ibang trigger force at mga senaryo ng displacement. Nako-customize ang mga istilo ng lever, kabilang ang mga straight, bent, at roller levers, na maaaring tumugma sa iba't ibang mechanical transmission structure. Sakop ng mga contact form ang buong hanay ng SPDT (1NO 1NC), NO, at NC.
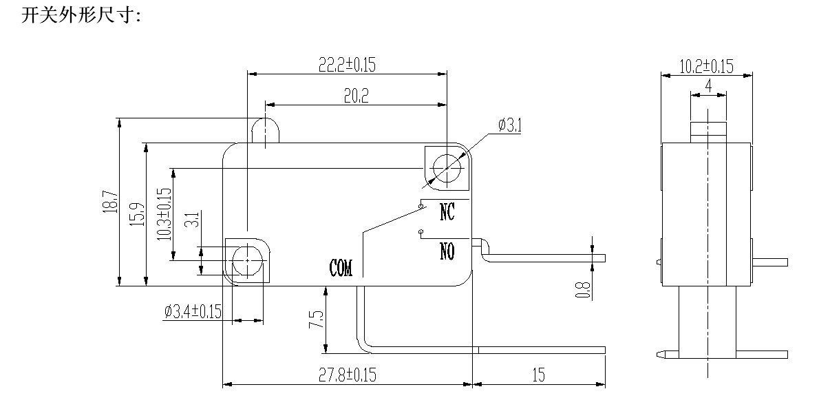
Parameter ng Micro Switch (Pagtutukoy)
| Lumipat sa Teknikal na Katangian: | |||
| ITEM | Teknikal na Parameter | Halaga | |
| 1 | Rating ng Elektrisidad | 5(2)A/10A/16(3)A/21(8)A 250VAC | |
| 2 | Contact Resistance | ≤30mΩ Paunang halaga | |
| 3 | Paglaban sa pagkakabukod | ≥100MΩ (500VDC) | |
| 4 |
Dielectric Boltahe |
sa pagitan ng hindi konektadong mga terminal |
1000V/0.5mA/60S |
|
Sa pagitan ng mga terminal at ang metal na frame |
3000V/0.5mA/60S | ||
| 5 | Buhay ng Elektrisidad | ≥50000 cycle | |
| 6 | Buhay Mekanikal | ≥1000000 cycle | |
| 7 | Operating Temperatura | -25~125℃ | |
| 8 | Dalas ng Pagpapatakbo |
elektrikal :15 cycle Mekanikal: 60 cycle |
|
| 9 | Vibration Proof |
Dalas ng Panginginig ng boses : 10~55HZ; Amplitude: 1.5mm; Tatlong direksyon :1H |
|
| 10 |
Kakayahang panghinang: Higit sa 80% ng nakalubog na bahagi ay dapat na sakop ng panghinang |
Temperatura ng Paghihinang :235±5℃ Oras ng Paglulubog :2~3S |
|
| 11 | Panghinang Heat Resistance |
Dip Soldering :260±5℃ 5±1S Manu-manong Paghihinang : 300±5℃ 2~3S |
|
| 12 | Mga Pag-apruba sa Kaligtasan | UL, CSA, VDE, ENEC, TUV, CE, KC, CQC | |
| 13 | Mga Kondisyon sa Pagsubok |
Ambient Temperatura :20±5℃ Kamag-anak na Halumigmig :65±5%RH Presyon ng hangin :86~106KPa |
|
Tampok at Application ng Micro Switch
Mga Detalye ng Micro Switch
