Ang Plastic Magnetic Micro Switch ay isang switch device na kumokontrol sa on-off ng isang circuit sa pamamagitan ng magnetic field signal. Ang pangunahing tampok nito ay ang non-contact operation, kaya mayroon itong mga bentahe ng mabilis na pagtugon, mahabang buhay ng serbisyo, at mataas na pagiging maaasahan, at malawakang ginagamit sa industriyal na automation, seguridad, automotive, at smart home field.
Panimula ng Micro Switch
Ang magnetic switch ay isang switch device na kumokontrol sa on-off ng isang circuit sa pamamagitan ng magnetic field signal. Ang pangunahing tampok nito ay ang non-contact operation, kaya mayroon itong mga bentahe ng mabilis na pagtugon, mahabang buhay ng serbisyo, at mataas na pagiging maaasahan, at malawakang ginagamit sa industriyal na automation, seguridad, automotive, at smart home field.
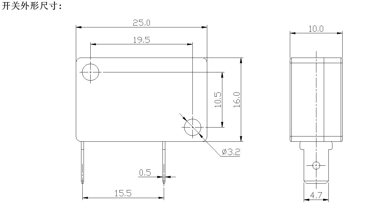
Parameter ng Micro Switch (Pagtutukoy)
| Lumipat sa Teknikal na Katangian: | |||
| ITEM | Teknikal na Parameter | Halaga | |
| 1 | Rating ng Elektrisidad | 5(2)A/10A/16(3)A/21(8)A 250VAC | |
| 2 | Contact Resistance | ≤30mΩ Paunang halaga | |
| 3 | Paglaban sa pagkakabukod | ≥100MΩ (500VDC) | |
| 4 |
Dielectric Boltahe |
sa pagitan ng hindi konektadong mga terminal |
1000V/0.5mA/60S |
|
Sa pagitan ng mga terminal at ang metal na frame |
3000V/0.5mA/60S | ||
| 5 | Buhay ng Elektrisidad | ≥50000 cycle | |
| 6 | Buhay Mekanikal | ≥1000000 cycle | |
| 7 | Operating Temperatura | -25~125℃ | |
| 8 | Dalas ng Pagpapatakbo |
elektrikal :15 cycle Mekanikal: 60 cycle |
|
| 9 | Vibration Proof |
Dalas ng Panginginig ng boses : 10~55HZ; Amplitude: 1.5mm; Tatlong direksyon :1H |
|
| 10 |
Kakayahang panghinang: Higit sa 80% ng nakalubog na bahagi ay dapat na sakop ng panghinang |
Temperatura ng Paghihinang :235±5℃ Oras ng Paglulubog :2~3S |
|
| 11 | Panghinang Heat Resistance |
Dip Soldering :260±5℃ 5±1S Manu-manong Paghihinang : 300±5℃ 2~3S |
|
| 12 | Mga Pag-apruba sa Kaligtasan | UL, CSA, VDE, ENEC, TUV, CE, KC, CQC | |
| 13 | Mga Kondisyon sa Pagsubok |
Ambient Temperatura :20±5℃ Kamag-anak na Halumigmig :65±5%RH Presyon ng hangin :86~106KPa |
|
Tampok at Application ng Micro Switch
Mga Detalye ng Micro Switch
